This website works better with JavaScript
首頁
探索
說明
登入
noah
/
tibasicc
關注
1
讚好
0
複刻
0
檔案
問題管理
0
合併請求
0
Wiki
目錄樹:
8ee9d0702c
分支列表
標籤列表
master
tibasicc
/
doc
/
tixx_guide
/
linkguide
/
ti85
/
graphics
/
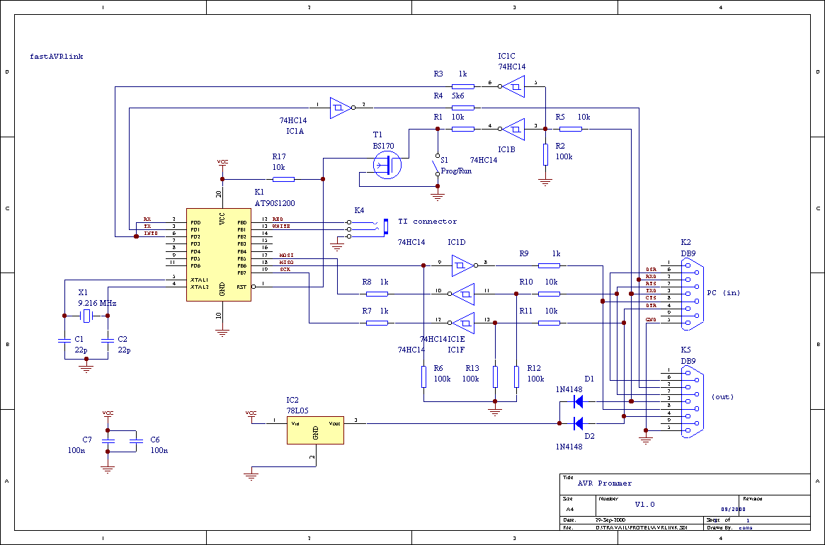
fastAVRlink_link.gif
fastAVRlink_link.gif
21 KB
文件歷史
原始文件